基于频域衰减比较判据的空心电抗器匝间绝缘故障检测装置设计
2019年06月05日 10:47         所属学院: []          点击:


附件5

 

湖南省大学生研究性学习和创新性实验计划

项  目  申  报 

 

项目名称:

  • 如果您无法在线浏览此 PDF 文件,则可以

  • 下载免费小巧的 福昕(Foxit) PDF 阅读器,安装后即可在线浏览  或

  • 下载免费的 Adobe Reader PDF 阅读器,安装后即可在线浏览  或

  • 下载此 PDF 文件

学校名称

开云kaiyun体育

学生姓名

学  号

专      业

性 别

入 学 年 份

于佳文

201552030124

电气工程及其自动化

2015

杨心瑶

201549060103

电气工程及其自动化

2015

曹威

201549060126

电气工程及其自动化

2015

廖兴辉

201569030220

电气工程及其自动化

2015

指导教师

杨鑫

职称

副教授

项目所属

一级学科

电气工程

项目科类(理科/文科)

理科

学生曾经参与科研的情况

 

在导师指导下参与 “饱和铁芯型紧耦合超导限流器可行性研究”项目研究,对电路设计有一定的了解。

 

指导教师承担科研课题情况

1、 主持国家自然科学基金青年基金项目:液氮中微秒级脉冲下沿面放电路径的影响因素及其作用机理研究,20151-201712月,24万元。

2、 主持横向课题:山区配电网的防雷保护措施研究,20151-201512月,34万元。

3、 主持横向课题:背场磁体设计开发测试研究,20161-201612月,64万元

4、 主持横向课题:饱和铁芯型紧耦合超导限流器可行性研究,20161-201612月,20万元。

5、 主持横向课题:高压电缆接头防火防爆防水关键技术及其应用研究,20179-20196月,167万元。

项目研究和实验的目的、内容和要解决的主要问题

1、 项目研究和实验的目的

在电力系统的变压器类产品中,电抗器的应用范围仅次于电力变压器。它的主要功能是限制系统的短路电流和补偿系统的电容电流。我国电网的规模在迅速扩大,变电站逐渐增多,所需求电抗器的数量也在逐渐增加。干式空心电抗器具有下列优点:1、无导磁材料,不存在磁饱和现象,电流变化不会使电感值发生改变;2、便于维护,运行安全;3、线性度较好;4、采用合金星形支撑夹紧结构,机械强度高,流损耗小;5、因为采用无油结构,可避免发生漏油、易燃等情况。由于干式空心电抗器的免维护性和电抗值的线性,使得这种电抗器在电力系统应用非常普遍。

从空心电抗器故障来看,匝间绝缘故障是影响电抗器正常运行的最重要的因素。运行经验表明:这种电抗器的匝间绝缘性能是保证其正常运行的关键。在生产巧程中对电抗器的匝间绝缘进行有效的检验便成为保证电抗器产品质量的非常重要的环节。

本项目旨在通过对现有的空心电抗器匝间绝缘故障检测方法存在的问题分析,提出基于频域衰减比较判据的空心电抗器匝间绝缘故障检测方法,并基于该方法对10kV空心电抗器的匝间绝缘故障检测电路的软件和硬件进行设计。

 

2、 项目研究和实验的内容

1)建立空心电抗器匝间绝缘故障检测模型,对脉冲振荡回路频率响应进行傅立叶变换,将时域波形转换为频域分析,优化脉冲电压检测匝间绝缘故障的方法;

2)根据匝间绝缘故障后的频域波形特征,提出基于频域衰减比较法的空心电抗器匝间绝缘故障诊断判据;

3)设计10kV干式空心电抗器匝间绝缘短路故障监测的硬件电路,并对硬件参数进行取值;

4)基于硬件电路设计及其参数取值,设计基于频域衰减特征的匝间绝缘故障诊断电路的软件部分;

5)集成基于频域衰减特征的空心电抗器匝间绝缘故障诊断电路的软件和硬件部分。

 

3.项目研究和实验要解决的主要问题

(1)建立空心电抗器匝间绝缘故障检测模型,对脉冲振荡回路频率响应进行傅立叶变换,根据匝间绝缘故障后的频域波形特征,提出基于频域衰减比较法的空心电抗器匝间绝缘故障诊断判据。

(2)为了保证检测系统电路中施加在电抗器上的试验电压精确度远高于仅依靠放电球隙间电压自然击穿的放电方式,要求点火控制器的触发时刻精确可调。

 

国内外研究现状和发展动态

伴随着国家对电网建设的进一步加快,电抗器在电网中的作用逐渐被人们所重视。但电抗器挂网运行时常发生烧毁事故,究其原因大多数是因为存在匝间绝缘缺陷。目前,国外已经生产出了电抗器匝间绝缘检测设备,但是造价比较高,不能为国内广大电抗器生产厂家所接受。而国内空心电抗器生产厂家众多,但具有匝间绝缘检测能力的很少,大多数生产厂家凭经验生产,所以这些厂家的产品一般用在工矿企业,能够挂网运行的极少。

国内电抗器匝间绝缘的检测方法主要有以下几种:(1)漏磁场检测法该方法利用霍尔传感器测量漏磁场图,可以测量出铁芯式绕组匝间故障,并可判断出短路出现的位置。但是这种方法只适用于直接短路故障,对于隐形匝间故障是检测不出来的。(2)高频振荡能量吸收法。该方法的原理是当通以高频电流的线圈靠近一个发生匝间短路的线圈时,会产生能量被吸收的现象,若能量被吸收则说明该线圈存在匝间短路。(3)雷电冲击试验法。传统的雷电冲击试验对绕组的纵绝缘,即匝间、层间、段间绝缘等的电气强度进行考核。由于雷电冲击电压施加的时间较短,所以检测的效果不是很好。(4)脉冲振荡电压法。脉冲电压法是利用充电后的电容器通过开关与被试线圈形成振荡电路,其振荡频率为电感与电容的函数,选择确定的充电电容就可将该试验频率确定在试验所要求的范围。该试验利用检测和对比施加较低电压和全电压下高频脉冲振荡电压波形,对电抗器的匝间绝缘情况进行判断。该可以产生较高的试验电压,从而有利于发现匝间绝缘缺陷。因而,基于脉冲电压法是检测匝间绝缘中的优势,国内大连理工大学和哈尔滨理工大学已利用该方法研制出35kV、66kV电压等级的干式空心电抗器匝间绝缘装置。

然而,利用脉冲电压法进行匝间绝缘检测时,所得到的均为电压的时域响应波形,只有进一步分析时域波形的周期特性和衰减特性,才能推断空心电抗器线圈是否存在匝间绝缘故障,仅从响应电压的时域波形上无法判断匝间绝缘故障,需要对波形进行进一步处理。

通过对时域响应波形进行傅里叶变换,可以得到响应的频谱特性。当空心电抗器匝间绝缘故障时,等效电感参数将发生变化,会导致频率响应出现明显特征的变化。因而,本项目提出了基于频域衰减特性的空心电抗器匝间绝缘故障检测方法,并基于此方法,开发出10kV空心电抗器匝间绝缘故障检测装置,以准确发现空心电抗器的匝间绝缘故障,保证其可靠运行,提高电网运行的安全性。

 

本项目学生有关的研究积累和已取得的成绩

团队成员自进校以来就在导师的指导下进行科研学习,对高电压技术和电机学等相关专业课程已有前期的了解。在导师指导下参与“饱和铁芯型紧耦合超导限流器可行性研究”项目研究,对电路设计有一定的了解。

项目的创新点和特色

(1) 提出基于频域衰减特性的空心电抗器匝间绝缘故障诊断方法,将脉冲振荡的电压波形转换为频域波形,得到基于频域特征的匝间绝缘故障诊断判据,更加准确、方便的判断出匝间绝缘故障的存在,提高电力系统的安全可靠性。

(2) 开发利用脉冲震荡法的10kV空心电抗器匝间绝缘故障检测硬件电路和基于频域衰减特性比较法的故障检测软件,为进一步开展空心电抗器故障检测奠定理论和实验基础。

项目的技术路线及预期成果

项目的技术路线

(1) 利用脉冲电压法检测空心电抗器匝间绝缘的原理分析和电路模型搭建

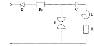
由于干式空心电抗器结构的特殊性,确定用脉冲电压法测量匝间绝缘的可行性。试验分别在电抗器两端施加半电压和全电压,对比两种情况下高频脉冲振荡电压波形,以此来判断电抗器是否存在匝间绝缘缺陷。等效电路可用下图表示:

1 脉冲电压法检测匝间绝缘基本原理图

图1中U 为220kV交流电源,RS为充电保护水电阻,S为放电球隙,C为脉冲高压电容,L为试品电抗器等效电感。

实验时,经过半波或全波整流的电源对高压脉冲电容充电,当充电电压达到指定要求时。放电球隙导通,脉冲电容与试验绕组形成一定频率的阻尼振荡电路,其振荡频率为

放电电流逐渐衰减,直至衰减到不足以维持电弧,因此电弧熄灭,电弧熄灭后,脉冲电容又开始充电,为下一次冲击做好准备。经过数千次的冲击,试验绕组没有烧毁,并且全压和半压波形频率相等,则可认为绕组是完好的。

基于此原理,设计出检测空心电抗器匝间绝缘故障的仿真电路,建立空心电抗器匝间绝缘故障检测模型。

(2)利用脉冲震荡法的10kV空心电抗器匝间绝缘故障检测硬件电路的设计和参数选择

电抗器匝间绝缘试验装置中,由充电回路把电网的电能通过调压器、高压变压器、高压整流珪堆、限流电阻,送到电容器中储存起来,这就是电容器的充电过程。最简单的充电回路是由调压器TI、试验变压器T2、高压桂堆D、保护电阻RS以及充电电容C组成。充电回路是将电网中的交流电通过整流之后,送入电容器C中储存起来。用脉冲电压法进行电抗器匝间过电压试验时,采用正极性冲击电压对试品进行绝缘考核时,拟采用的试验充电电路如图2所示:

 

2 拟采用的硬件电路充电电路

放电回路的作用,就是起到在比较短的时间内,释放掉电容器所储存的大量能量,并使其通过试品以达到对试品进行考核的目的。所以放电回路应包含主电容、被试品和起快速通断作用的触发开关。该触发开关选取为球隙开关,为了减

少球隙上多次试验产生的麻点,串联阻尼电阻用以限制球隙放电时的电流幅值。放电电路图3如下所示:

 

3 硬件电路放电电路

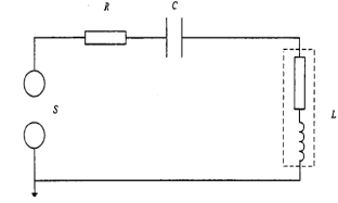
则干式空心电抗器脉冲振荡匝间绝缘故障检测法的等效电路图如图4所示:

 

4 干式空心电抗器脉冲振荡匝间绝缘故障检测法等效电路图

    图4中,D为整流硅堆,Rs为保护水电阻,S为放电球隙,C为主电容,L为被测电感线圈,R为电抗器内部电阻值。

其阻尼振荡过程中电流i为

式中,Uc为电容两端电压;UcO为初始时刻的Uc值;电感在阻尼振荡过程中的电压UL如式所示:

其中:

主电容的电容量C计算公式为

同时标准要求脉冲振荡频率应在100KHz左右,且6~35kV试品电抗器的电感量L主要在0.1~20mH之间,可选C=3nF。R值根据实际情况可在0.2~100之间带入运算。

充电过程中主电容俩端的电压为

在电容器充电电路里,当容抗占总阻抗的99%时,可以保证电容器在5ms内充满,即:

在分析脉冲电压法检测匝间故障的原理基础上,设计出10kV空心电抗器匝间绝缘故障检测的硬件电路,并根据常用空心电抗器型号,合理选择电路各元件的出参数。

(3)基于频域衰减特性比较法的空心电抗器匝间绝缘故障检测判据的研究及对应的软件开发。

通过分析可知在脉冲电容与试品电抗器阻尼振荡过程中,如果电抗器存在匝间绝缘缺陷,则由于电抗器线圈匝数的减少以及去磁效应,致使整个电抗器的固定电抗率发生改变,整个振荡电路的振荡频率将随之发生变化,短路匝内的环流将加大电抗器的损耗,短路环内的铝线发热严重。整个振荡电路的电压和电流衰减速度加快。

 

图5 时域下有无匝间绝缘故障的响应波形原始波形截图

 

图6 检测回路电压响应的频域波形

目前,利用脉冲电压法进行匝间绝缘检测时,所得到的均为电压的时域响应波形,如图5所示。有无匝间绝缘故障的时域波形并无明显变化特征,仅从响应电压的时域波形上无法判断匝间绝缘故障,需要对波形进行进一步处理。只有进一步分析时域波形的周期特性和衰减特性,通过对比试品电抗器在系统额定电压下和振荡波试验电压下两端的电压或电流波形频率及过零点变化,才能推断空心电抗器线圈是否存在匝间绝缘故障。

通过对时域响应波形进行傅里叶变换,可以得到响应的频谱特性,典型的频谱特征如图6所示。当空心电抗器匝间绝缘故障时,等效电感参数将发生变化,会导致频率响应出现明显特征的变化。频域响应波形比时域波形更易判断匝间绝缘故障。通过傅里叶变换将时域波形转换为频域分析,提出基于频域衰减特性比较法的空心电抗器匝间绝缘故障检测判据的研究及对应的软件开发,可以更加准确、方便的判断电抗器线圈是否存在匝间绝缘缺陷。

(4)系统集成并测试

基于本项目提出的方法对10kV空心电抗器的匝间绝缘故障检测电路的软件和硬件进行设计,并进行集成测试,为进一步开展空心电抗器故障检测奠定理论和实验基础。

 

 

2.预期成果:

(1)得到基于频域衰减比较法的空心电抗器匝间绝缘故障诊断判据;

(2)开发利用脉冲震荡法的10kV空心电抗器匝间绝缘故障检测硬件电路和基于频域衰减特性比较法的故障检测软件。

年度目标和工作内容(分年度写)

120184-20185月,查阅资料,对脉冲电压和频域变换方法进行深入研究;

220186-20187月,建立空心电抗器匝间绝缘故障检测模型,进行频域变换的分析、研究;

320188-201811月,研究基于频域衰减比较法的空心电抗器匝间绝缘故障诊断判据;

4201812-20192月,设计10kV干式空心电抗器匝间绝缘短路故障监测的硬件电路,并对硬件参数进行取值;

520193月,设计基于频域衰减特征的匝间绝缘故障诊断电路的软件部分;

20194-20196月,集成软件和硬件部分,并对系统进行测试,完成结题工作。

指导教师意见

 

该项目切合电力生产实践,内容难度适中,研究方案合理。该小组同学已具备一定的基础知识铺垫,具有该方向的研究经验,可保证项目顺利实施。同意申报。

 

 

 

 

 

签字:杨鑫        日期:2018.4.26

 

注:本表栏空不够可另附纸张